Floinvalves

flo-logo

SAFETY/SAFETY RELIEF VALVE

Manufactured to API/ASME codes, Full Lift, ’Pop’ type. Screwed/ Flanged models .Standardized orifice. 

Size15NB to 300NB
Sizing StandardAPI RP 520
Design StandardAPI526/API520

WORKING OF SAFETY VALVE

LIFTING

When the static pressure inlet increases above the safety valve’s fixed pressure, the disk will start lifting off its seat. Then the spring begins to compress. As the pressure increases the disc continue to lift. In order to achieve full opening from a small overpressure, the disc arrangement has to be specially designed to provide rapid opening. This is usually done by placing a shroud, skirt or hood around the disc. As lift begins, and fluid enters the chamber, a larger area of the shroud is exposed to the fluid pressure. This rise in opening force overcompensates the rise in spring force, resulting in a fast opening

RESEATING

It has to reset the valve position after the high pressure flow is reduced. But, since the bigger disk region remains subjected to the fluid, the valve will not close until the pressure drops below the initial set pressure. The distinction between the fixed pressure and the reseating pressure is called the ‘ blowdown‘. The decreased blowdown(nozzle) ring is common in many valves where tighter overpressure and blowdown conditions require a more sophisticated built solution. Usually the upper blowdown ring is factory set and fundamentally removes the fabrication tolerances that influence the huddling chamber’s geometry.

CATEGORIES OF SAFETY VALVE

Spring loaded safety valves

Spring-loaded safety valves are one of the main types of safety valves in which the closing force or spring force is applied by a spiral spring. How does a spring-loaded safety valve work? Safety valves are designed to open and release excess pressure from vessels or equipment and then close again. 

rs=w_365,cg_true (1)

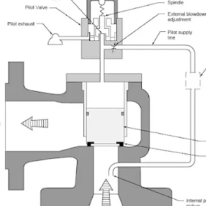
Pilot-operated safety Valves

Pilot-operated valves are pressure relief valves that control the main valve’s inlet and outlet port. They are similar to spring-loaded valves but are the best alternative solution for reaching the highest pressure and highest capacity. These valves offer excellent performance for overpressure protection.

rs=w_365,cg_true (2)

Dead-Weight safety Valves

Deadweight Safety valve consists of a valve seat where the pressure in the boiler or pressure vessel when it exceeds the normal working pressure lifts the valve seat with its weight. The excess pressure fluid therefore escapes through the pipe to the atmosphere, until the pressure reaches its normal value.